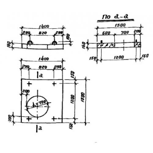
КЦП 14-15

Чертеж изделия:
Характеристики изделия:
ПараметрЗначение
длина1400 мм
ширина1500 мм
высота160 мм
вес726 кг
серияТП 902-9-1.

КЦП 14-15 Плиты перекрытия ливневой канализации по проекту ТП 902-9-1.