К

Чертеж изделия:
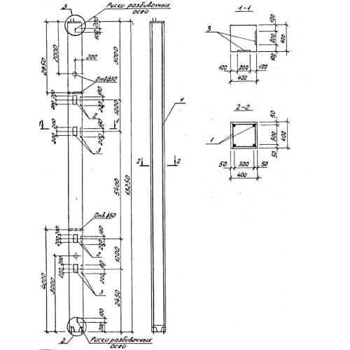
Характеристики изделия:
ПараметрЗначение
длина13250 мм
ширина400 мм
высота400 мм
вес5300 кг
серияТП 901-5-41.87

К Колонны по проекту ТП 901-5-41.87.