К

Чертеж изделия:
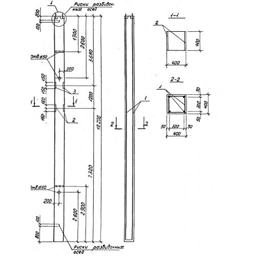
Характеристики изделия:
ПараметрЗначение
длина12200 мм
ширина400 мм
высота400 мм
вес4875 кг
серияТП 901-5-38.87

К Колонны по проекту ТП 901-5-38.87.