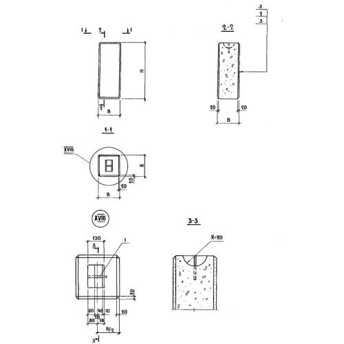
УБ 6.34

Чертеж изделия:
Характеристики изделия:
ПараметрЗначение
длина340 мм
ширина340 мм
высота580 мм
вес80 кг
Шифр1481

УБ 6.34 Угловые блоки по Шифру 1481.