Ф 17 фундаменты для колонн

Чертеж изделия:
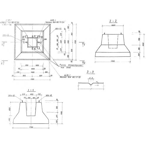
Характеристики изделия:
ПараметрЗначение
длина1700 мм
ширина1700 мм
высота1050 мм
масса4040 кг
нормативный документСерия ИИ 04-1

Ф 17 Фундаменты по Серии ИИ 04-1.