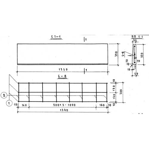
СТ 1

Чертеж изделия:
Характеристики изделия:
ПараметрЗначение
длина1350 мм
ширина320 мм
высота50 мм
масса49 кг
нормативный документСерия ИИС 04-7

СТ 1  Накладные проступи по Серии ИИС 04-7.