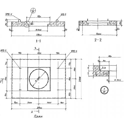
КЦО 4 Плиты дорожные с нишей для люка
Характеристики изделия:
| Параметр | Значение |
|---|---|
| длина | 2800 мм |
| ширина | 2000 мм |
| высота | 220 мм |
| масса | 2480 кг |
| нормативный документ | Серия 3.900.-3. |
Цена:
Рассчитать стоимостьКЦО 4 Плиты дорожные с нишей для люка по Серии 3.900.-3.
