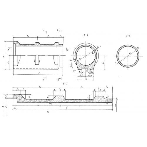
ТПР 120.25
Характеристики изделия:
| Параметр | Значение |
|---|---|
| длина | 2610 мм |
| ширина | 1420 мм |
| высота | 1710 мм |
| масса | 4500 кг |
| нормативный документ | Серия 3.820.1-81.94 |
Цена:
Рассчитать стоимостьТПР 120.25 Труба бетонная безнапорная ребристая раструбная с подошвой, имеющая стыковое соединение втулочного конца. Уплотнение стыковой поверхности таких элементов производится герметиками. Серия 3.820.1-81.94.
