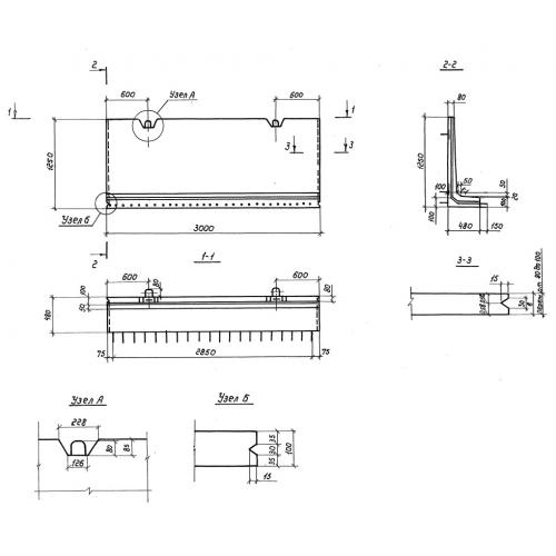
Г 12.30
Характеристики изделия:
| Параметр | Значение |
|---|---|
| длина | 3000 мм |
| ширина | 630 мм |
| высота | 1250 мм |
| вес | 1180 кг |
| серия | 3.820.1-73 |
Цена:
Рассчитать стоимостьГ 12.30 Г-образная конструкция для водохозяйственного строительства по серии 3.820.1-73.
| Параметр | Значение |
|---|---|
| длина | 3000 мм |
| ширина | 630 мм |
| высота | 1250 мм |
| вес | 1180 кг |
| серия | 3.820.1-73 |
Г 12.30 Г-образная конструкция для водохозяйственного строительства по серии 3.820.1-73.
