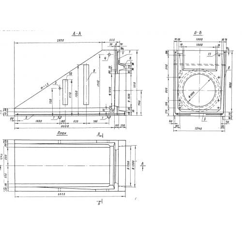
ОН-10

Чертеж изделия:
Характеристики изделия:
ПараметрЗначение
длина3325 мм
ширина1540 мм
высота1910 мм
масса4050 кг
нормативный документСерия 3.820-6

ОН-10  Оголовки с ныряющими стенками по Серии 3.820-6.