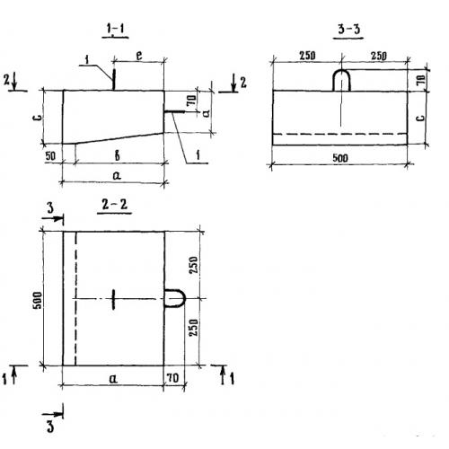
Б 2-18-25 блок

Чертеж изделия:
Характеристики изделия:
ПараметрЗначение
длина500 мм
ширина250 мм
высота180 мм
вес50 кг
серия3.503.1-66

Б 2-18-25  Прикромочные блоки бетонные по серии 3.503.1-66.