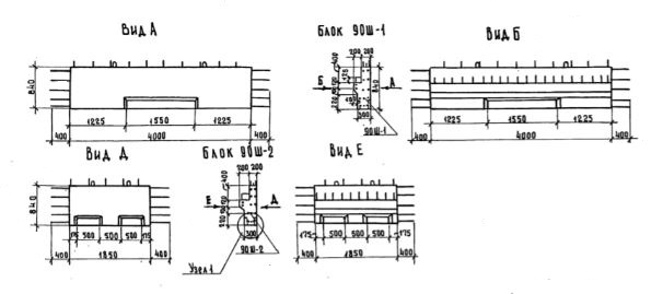
Ш-1

Чертеж изделия:
Характеристики изделия:
ПараметрЗначение
длина4800 мм
ширина400 мм
высота970 мм
масса2300 кг
нормативный документСерия 3.503-23

Ш-1 Блок шкафной стенки Серия 3.503-23.