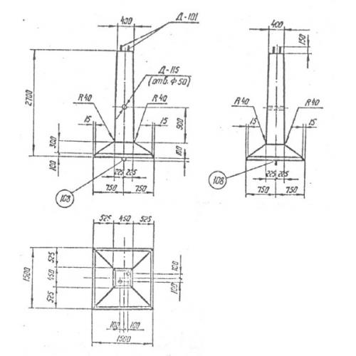
Ф 1.5-1.5 Фундамент составной

Чертеж изделия:
Характеристики изделия:
ПараметрЗначение
длина1500 мм
ширина1500 мм
высота2700 кг
масса1975 кг
нормативный документСерия 3.407.1-144

Ф 1.5-1.5  Фундаменты под стальные опоры по Серии 3.407.1-144.