К 5

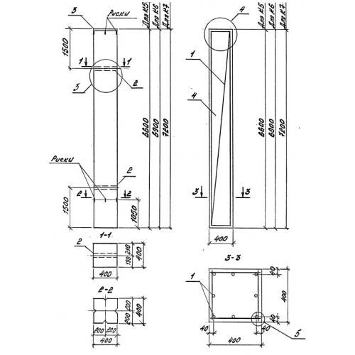
Чертеж изделия:
Характеристики изделия:
ПараметрЗначение
длина6600 мм
ширина400 мм
высота400 мм
масса2600 кг
нормативный документСерия 3.015-16.94

К 5  Колонны бетонные Серия 3.015-16.94.