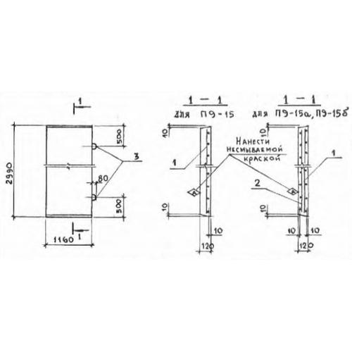
П 9/2 плиты лотков

Чертеж изделия:
Характеристики изделия:
ПараметрЗначение
длина1495 мм
ширина1160 мм
высота120 мм
масса520 кг
нормативный документСерия 3.006.1-2/87

П 9/2 Плиты перекрытия лотков Серия 3.006.1-2/87.