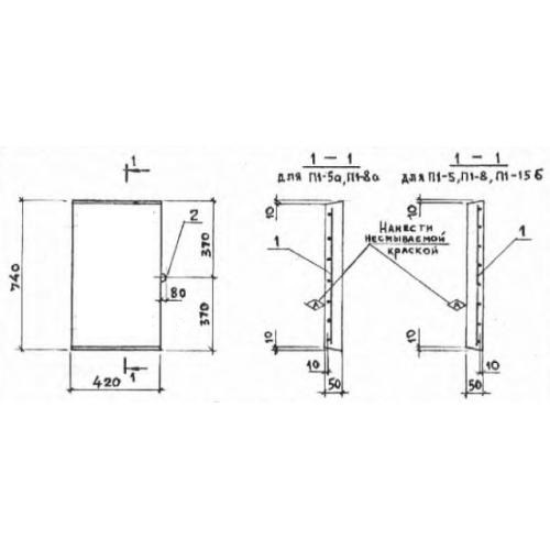
П 1 плиты лотков

Чертеж изделия:
Характеристики изделия:
ПараметрЗначение
длина740 мм
ширина420 мм
высота50 мм
масса40 кг
нормативный документСерия 3.006.1-2/87

П 1 Плиты перекрытия лотков Серия 3.006.1-2/87.