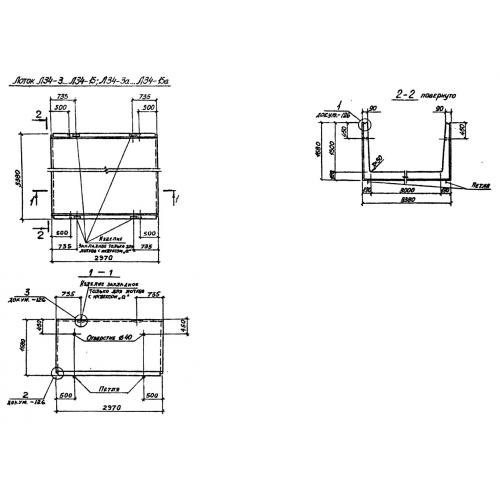
Л 34

Чертеж изделия:
Характеристики изделия:
ПараметрЗначение
длина2970 мм
ширина3380 мм
высота1680 мм
масса7730 кг
нормативный документСерия 3.006.1-2/82

Л 34  Лотки теплотрасс Серия 3.006.1-2/82.