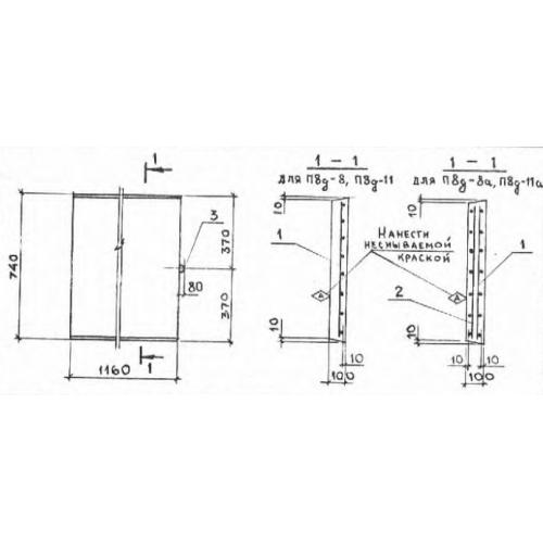
П 8д

Чертеж изделия:
Характеристики изделия:
ПараметрЗначение
длина740 мм
ширина1160 мм
высота100 мм
вес210 кг
серия3.006-2

П 8д Плиты перекрытия лотков доборные по серии 3.006-2.