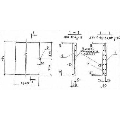
П 14д

Чертеж изделия:
Характеристики изделия:
ПараметрЗначение
длина740 мм
ширина1840 мм
высота90 мм
вес310 кг
серия3.006-2

П 14д Плиты перекрытия лотков доборные по серии 3.006-2.