ОП 8
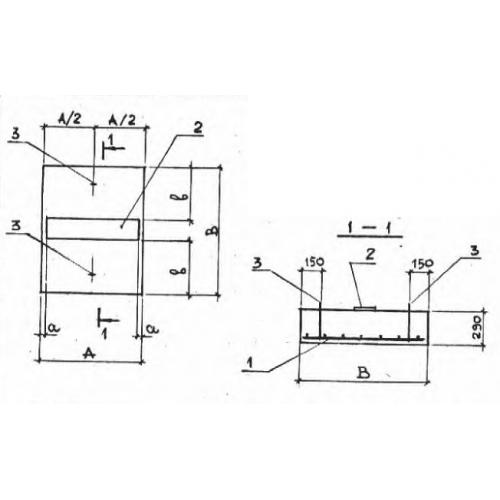
Характеристики изделия:
| Параметр | Значение |
|---|---|
| длина | 850 мм |
| ширина | 1050 мм |
| высота | 290 мм |
| вес | 650 кг |
| серия | 3.006-2 |
Цена:
Рассчитать стоимостьОП 8 Опорные подушки по серии 3.006-2.
| Параметр | Значение |
|---|---|
| длина | 850 мм |
| ширина | 1050 мм |
| высота | 290 мм |
| вес | 650 кг |
| серия | 3.006-2 |
ОП 8 Опорные подушки по серии 3.006-2.
