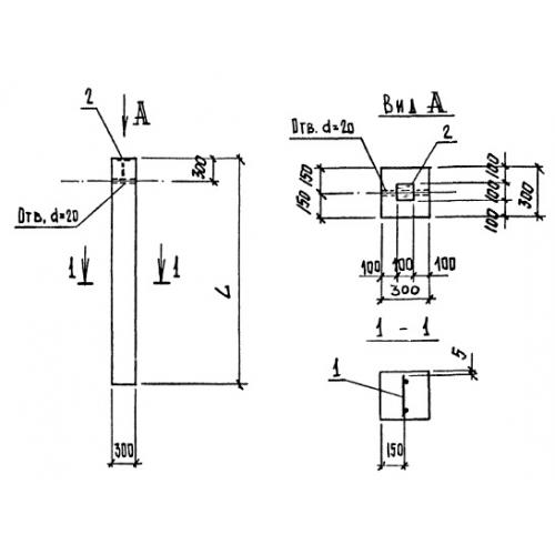
УБ 24.30
Характеристики изделия:
| Параметр | Значение |
|---|---|
| длина | 2385 мм |
| ширина | 300 мм |
| высота | 300 мм |
| вес | 540 кг |
| серия | 1.432.1-20 |
Цена:
Рассчитать стоимостьУБ 24.30 Блоки угловые по серии 1.432.1-20.
| Параметр | Значение |
|---|---|
| длина | 2385 мм |
| ширина | 300 мм |
| высота | 300 мм |
| вес | 540 кг |
| серия | 1.432.1-20 |
УБ 24.30 Блоки угловые по серии 1.432.1-20.
