ЛПР 22-18 км
| Параметр | Значение |
|---|---|
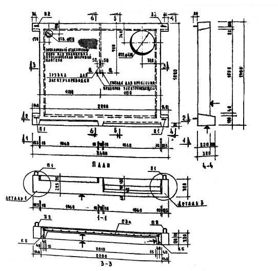
| Длина | 2480 мм |
| Ширина | 1900 мм |
| Высота | 320 мм |
| Масса | 1300 кг |
| Нормативный документ | Серия 1.152-3 |
Стандарт изготовления изделия: Серия 1.152-3
Лестничные площадки ребристые ЛПР 22-18 км обязательный элемент любого высотного здания. В конструкцию входят марши или блок ступеней, площадки, крепежные детали, при этом марш и площадки могут быть выполнены в виде единой конструкции. В зависимости от типа здания и его конструкции могут быть использованы лестничные площадки ребристые ЛПР 22-18 км .
Это железобетонные изделия особой формы, которые отвечают требованиям по прочности, надежности и долговечности. За счет этих параметров достигается высокая безопасность эксплуатации готового сооружения. Могут быть применены ребристые площадки для панельных, блочных и кирпичных зданий. Лестничная платформа делит марш на две части, что позволяет облегчить подъем между этажами и повысить безопасность.
Маркировка изделий.
1. ЛПР- Лестничные площадки ребристые;
2. 22- длина лестничной площадки;
3. 18-ширина;
4. к- наличие консолей;
5. м- площадка с отверстием для пропуска ствола мусоропровода.