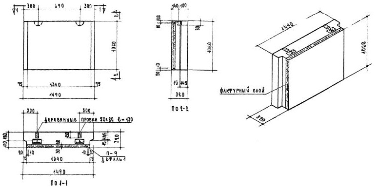
НБО-15.11.3
Характеристики изделия:
| Параметр | Значение |
|---|---|
| Длина | 1490 мм |
| Ширина | 320 мм |
| Высота | 1060 мм |
| Масса | 930 кг |
| Нормативный документ | Серия 1.133-1 |
Цена:
Рассчитать стоимостьСтеновые легкобетонные блоки толщиной 40 см по Серии 1.133-1.
НБО-15.11.3 Подоконный блок.