В1.5-47.27.16-2.6л
Характеристики изделия:
| Параметр | Значение |
|---|---|
| длина | 4720 мм |
| ширина | 160 мм |
| высота | 2650 мм |
| масса | 4300 кг |
| нормативный документ | Серия 1.131-1/82 |
Цена:
Рассчитать стоимостьСерия 1.131-1/82 Панели внутренних продольных стен толщиной 120 и160 мм.
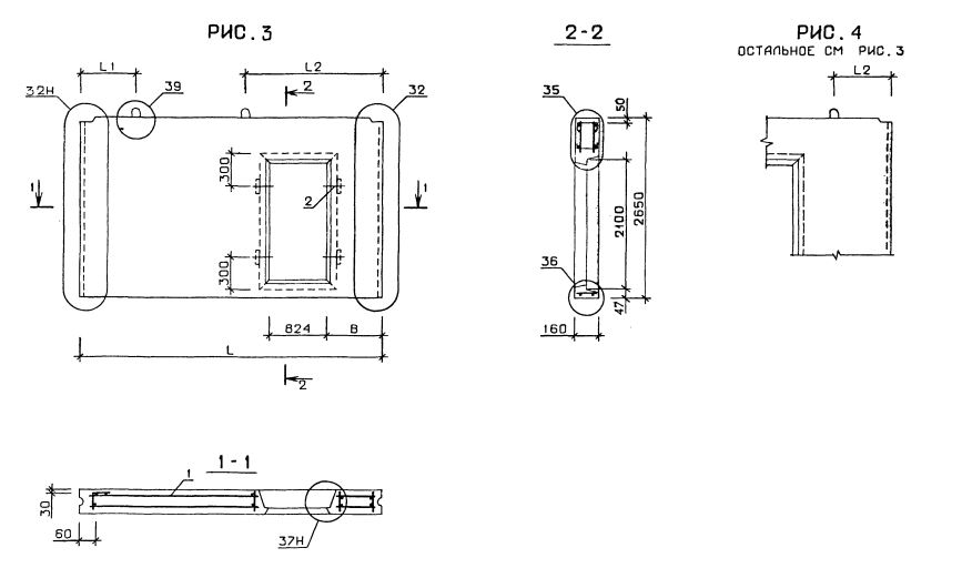
В1.5-47.27.16-2.6л Стеновая внутренняя панель. (рис. 4)
Буква обозначает вид изделия. В - стеновая внутренняя панель.
Первая цифра - группа изделия.
Второе число - несущая способность в десятках тонн на 1 пог.м (условно).
Три последующих численных индекса (после тире) характеризуют геометрические размеры стеновой панели ( в дециметрах с округлением).
Последняя цифра - конкретный индекс данного изделия.
Последняя цифра добавляется в случае наличия проема и зависит от величины простенка ( 2.1 - 350 мм, 2.2 - 450 мм, 2.3 - 600 мм, 2.4 - 750 мм, 2.5 - 900 мм, 2.6 - 1200 мм, 2.7 - 1650 мм, 5 и 5л - 400 мм, 6.1 - 350 мм, 6.2 - 450 мм).
