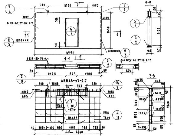
В1.5-47.27.16-2.7л

Чертеж изделия:
Характеристики изделия:
ПараметрЗначение
длина4720 мм
ширина160 мм
высота2650 мм
масса4310 кг
нормативный документСерия 1.131-1

В1.5-47.27.16-2.7л    Внутренние стеновые панели   (Серия 1.131-1).