1ПСН 24.20.45-п-1

Чертеж изделия:
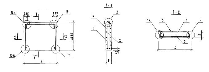
Характеристики изделия:
ПараметрЗначение
длина2390 мм
ширина450 мм
высота2030 мм
масса3000 кг
нормативный документСерия 1.117.1-20

Панели наружных цокольных стен. Панели толщиной 400 и 450 мм (Серия 1.117.1-20).

1ПСН 24.20.45-п-1  Панели стеновые наружные.

п-пористый бетон.