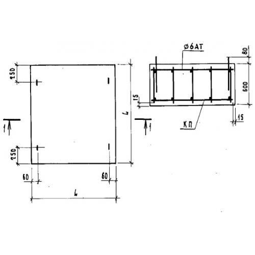
4 ОСП 35

Чертеж изделия:
Характеристики изделия:
ПараметрЗначение
длина1600 мм
ширина1600 мм
высота600 мм
вес3850 кг
серия1.111.1-4

4ОСП 35 Оголовки свайные с платформенным сопряжением по серии 1.111.1-4.