ПСЦ 18.21.3,0-П-ПВ

Чертеж изделия:
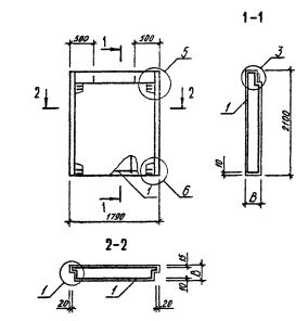
Характеристики изделия:
ПараметрЗначение
длина1790 мм
ширина300 мм
высота2100 мм
масса1340 кг
нормативный документСерия 1.090.1-3пв

Панели наружных стен нулевого цикла однослойные для сборного варианта (Серия 1.090.1-3пв).

ПСЦ 18.21.3,0-П-ПВ  Панели стеновые нулевого цикла (цокольные).

Цифра первой группы означает отличие в типах и расположении вертикальных торцов панели (зеркальность), наличие проема.

Вторая группа цифр (записаны через точки) обозначает габариты панели (длина, высота, толщина) в дециметрах.

П - вид бетона - бетон на пористых заполнителях.

ПВ - изделия предназначены для строительства зданий на просадочных грунтах и подрабатываемых территориях.