1ПС 21.33.4-ПТ-С

Чертеж изделия:
Характеристики изделия:
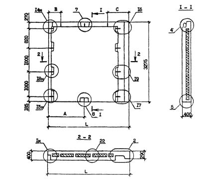
ПараметрЗначение
длина2095 мм
ширина400 мм
высота3275 мм
масса2320 кг
нормативный документСерия 1.090.1-2с

Панели наружных стен трехслойные на жестких связях для зданий с  высотой этажа 3,3 м (Серия 1.090.1-2с).

1ПС 21.33.4-ПТ-С   Панели стеновые без проемов.

1...9 - в панелях с дверными и окнными проемами - отличие в размерах и расположении проема, отличие в типах или расположении вертикальных торцов панели (зеркальность);

- в панелях без проемов - отличие в типах или расположении вертикальных торцов панели (зеркальность).

1..2 (вторая группа цифр) - унифицированная нагрузка.

ПТ- трехслойная панель из бетона на пористых заполнителях,

С- для строительства в сейсмических районах.