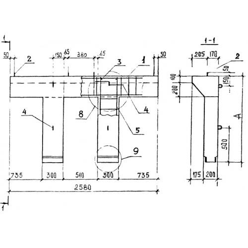
ЛР 13 лестничная рама

Чертеж изделия:
Характеристики изделия:
ПараметрЗначение
длина2580 мм
ширина1260 мм
высота375 мм
масса880 кг
нормативный документСерия 1.050.1-2

ЛР 13  Лестничные рамы Серия 1.050.1-2.