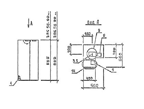
ПС 56.90.40 панели стеновые
Характеристики изделия:
| Параметр | Значение |
|---|---|
| длина | 560 мм |
| ширина | 400 мм |
| высота | 885 мм |
| масса | 380 кг |
| нормативный документ | Серия 1.030.1-1/88 |
Цена:
Рассчитать стоимостьПС 56.90.40 Панели стеновые Серия 1.030.1-1/88.
| Параметр | Значение |
|---|---|
| длина | 560 мм |
| ширина | 400 мм |
| высота | 885 мм |
| масса | 380 кг |
| нормативный документ | Серия 1.030.1-1/88 |
ПС 56.90.40 Панели стеновые Серия 1.030.1-1/88.