2КБО 4.42
Характеристики изделия:
| Параметр | Значение |
|---|---|
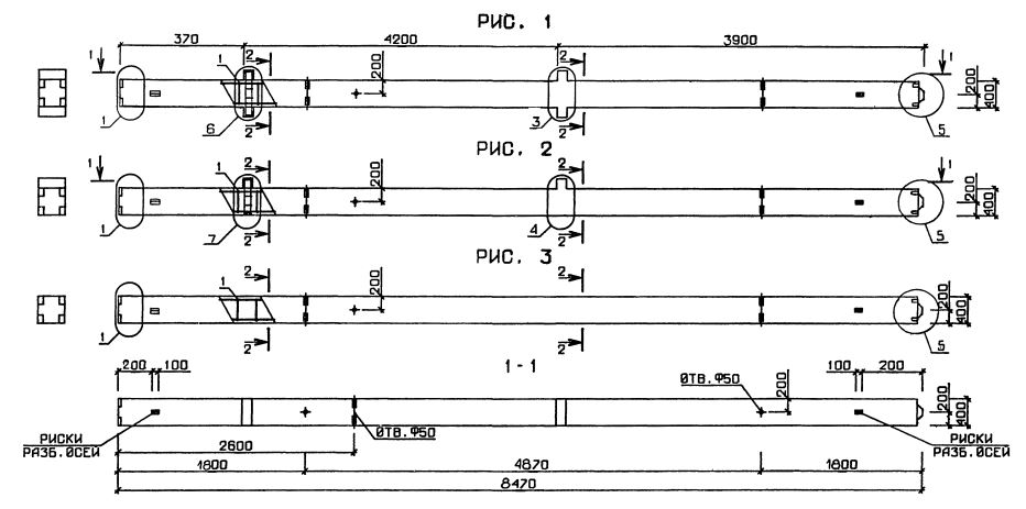
| длина | 8470 мм |
| ширина | 400 мм |
| высота | 550 мм |
| масса | 3540 кг |
| нормативный документ | Серия 1.020.1-3пв |
Цена:
Рассчитать стоимость2КБО 4.42 Колонны бесстыковые одноконсольные Серия 1.020.1-3пв.
| Параметр | Значение |
|---|---|
| длина | 8470 мм |
| ширина | 400 мм |
| высота | 550 мм |
| масса | 3540 кг |
| нормативный документ | Серия 1.020.1-3пв |
2КБО 4.42 Колонны бесстыковые одноконсольные Серия 1.020.1-3пв.