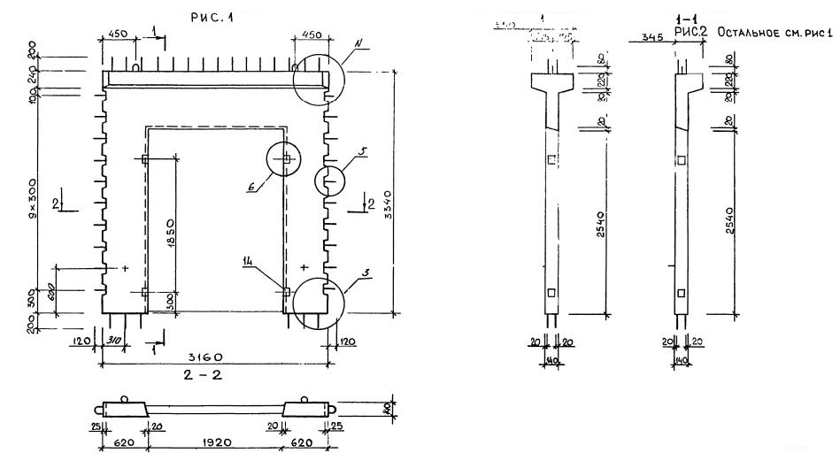
2Д 32.33

Чертеж изделия:
Характеристики изделия:
ПараметрЗначение
длина3400 мм
ширина550 мм
высота3740 мм
масса2870 кг
нормативный документСерия 1.020.1-3пв

2Д 32.33  Диафрагмы жесткости с двумя полками Серия 1.020.1-3пв.