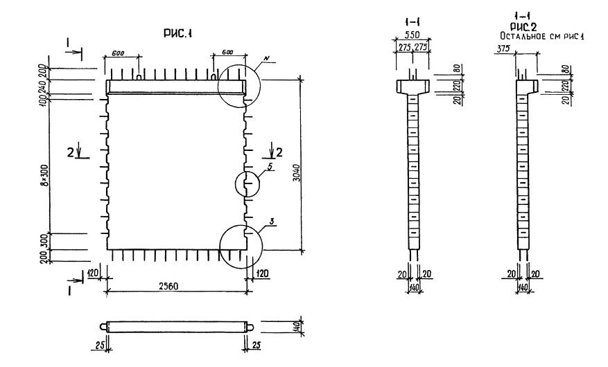
1Д 26.30
Характеристики изделия:
| Параметр | Значение |
|---|---|
| длина | 2800 мм |
| ширина | 345 мм |
| высота | 3440 мм |
| масса | 3070 кг |
| нормативный документ | Серия 1.020.1-3пв |
Цена:
Рассчитать стоимость1Д 26.30 Диафрагмы жесткости с одной полкой Серия 1.020.1-3пв.
| Параметр | Значение |
|---|---|
| длина | 2800 мм |
| ширина | 345 мм |
| высота | 3440 мм |
| масса | 3070 кг |
| нормативный документ | Серия 1.020.1-3пв |
1Д 26.30 Диафрагмы жесткости с одной полкой Серия 1.020.1-3пв.