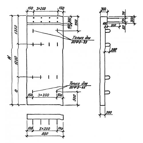
ППФ 9-81

Чертеж изделия:
Характеристики изделия:
ПараметрЗначение
длина900 мм
ширина300 мм
высота8100 мм
вес3750 кг
серия1.012.1-3.97

ППФ 9-81 Плиты фундаментные плоские по серии 1.012.1-3.97.